Picture this. You’re an engineer for an international oil company, and you’ve just been tapped to design a simple heat exchanger that will be installed at a chemical plant.
Given that heat exchangers can run anywhere from \$100,000 to $1,000,000 and beyond, it’s important that you choose one that keeps things cool—while keeping costs low. And your leaders are eager to break ground, so they need your design yesterday.
What’s the best way to approach a scenario like this? Or other familiar chemical engineering equations?
Many of us may be tempted to dive into a spreadsheet and brute force our way through it. But there’s a better way. It’s called mathematical optimization.
What Is Optimization?
People often associate optimization with industrial engineering or transportation, which tend to have more linear applications. But there are plenty of ways to use optimization in scenarios with nonlinear variables, too. And with Gurobi, you have the benefit of proving global optimality for nonlinear non-convex problems as well.
As we like to say, if you can model it, you can optimize it. To figure out if your scenario is ripe for optimization, consider these questions:
Do you have a problem that involves a complex, interconnected set of decisions?
Can you quantify and compare the outcomes of your decisions?
Do you want to find new ways to use your resources more efficiently?
Do you work in a constantly changing business environment?
The Case of the Heat Exchanger
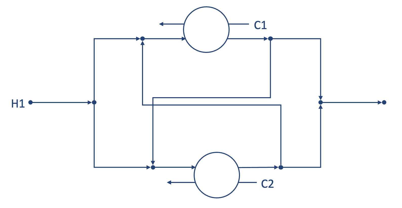
Let’s go back to our scenario with the heat exchanger. Here’s an example of how you might design your model. In this scenario, you have one hot stream (H1) and two cold streams (C1 and C2). The lines depict several possible paths where you might consider laying pipe.

[caption id="attachment_15561" align="alignnone" width="800"] Heat Exchange Network Synthesis. This sample heat exchanger scenario is inspired by the textbook Systematic Methods of Chemical Process Design by Biegler, Grossman and Westerberg (1997)[/caption]
In this example, there are at least five combinations to play with, given the constraints of your space and the liquids you’re working with. The questions are: Which of these options is most cost-effective and efficient? And what size should the exchangers be in order to meet the process requirements?

[caption id="attachment_15562" align="alignnone" width="800"] Heat Exchange Network – Possibilities. Five piping options, each with additional design choices for heat capacity, flowrates, temperatures, and the size of each exchanger.[/caption]
Answer It with a Solver
A mathematical solver can help calculate models like this in a fraction of the time that you can do it yourself in a spreadsheet. And when you use a solver, it helps you in other key ways:
Prove your design. Have confidence that the solution you present to your leadership team is the top option—and that you haven’t leaned too heavily on design rules-of-thumb. You’ve mathematically tested an array of options and landed on the best one. It’s a proven solution, and one that’s easy to explain.
Troubleshoot later. Use this same model down the road for troubleshooting. Say that you build your heat exchanger exactly as designed. But three years later, it’s no longer hitting your target temperatures. You can use your model to do a parameter estimation, re-identify the heat coefficient, and see what’s changed over time.
How Gurobi Helps
When you bring in a solver like Gurobi Optimizer, you focus more on building a solid model of your systems. Then you can trust that our solver is powerful enough to give you the answer you need in a reasonable time.
Curious how we used Gurobi to solve this heat exchanger scenario? Get the full walkthrough in our recent webinar: Optimizing Non-linear Chemical Engineering Applications.

